1-10V DALI Konverter mit Schaltrelais

- Kauf und Beratung beim LED-Experten
- Profi-Produkte aus über 15 Jahre Erfahrung
- LED-Technik ist unsere Leidenschaft
- Kostenloser Versand ab 150€ Bestellwert (DE)
Produktinformationen "1-10V DALI Konverter mit Schaltrelais"
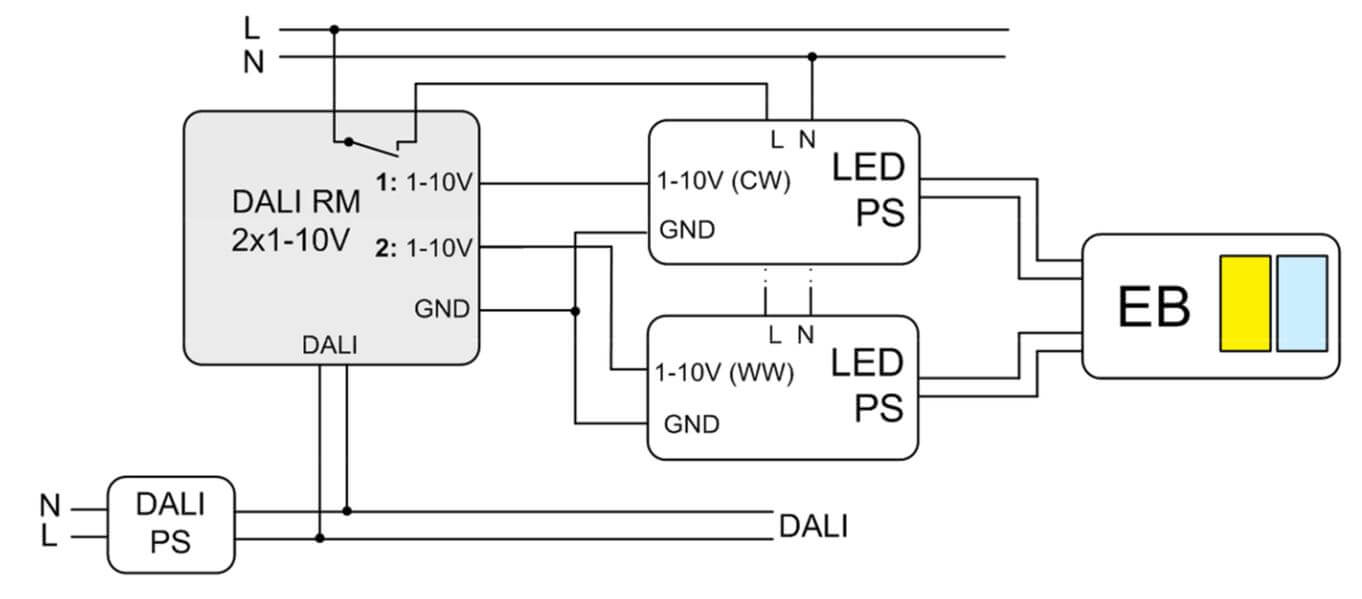
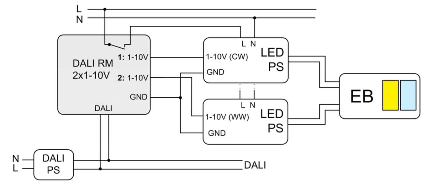
DT8 1-10V DALI-Konverter/Schnittstellenmodul für Tuneable White Anwendungen
Mit diesem 1-10V DALI Konverter lassen sich 2 LED-Versorgungen mit 1-10 V Steuereingängen ansteuern, wie beispielsweise die Meanwell HLG Serie. Dabei verfügt das Schnittstellenmodul über eine DALI DT8 Adresse, die bestimmten Gruppen und Szenen zugeordnet werden kann. Des Weiteren implementiert dieser DALI Konverter einen Ausgabemodus für 2 getrennte Kanäle, wobei der Ausgangsstrom 1 mA je Kanal beträgt. Hierbei werden die Ausgangssignale automatisch kalibriert. Darüber hinaus sind in das Modul Schaltrelais zum Ein- und Ausschalten der EVG-Leistungsversorgung integriert. Zudem schützen sie den DALI Konverter vor hohen Einschaltstromspitzen bis zu 160A.
Dieser Artikel ist als Hutschienenmodul (-HS) oder für den Deckeneinwurf (-DE) erhältlich.
Produktübersicht / Features:
- DT8 DALI-Konverter zur Ansteuerung von zwei 1-10 V Steuereingängen, z.B. Meanwell HLG
- Galvanische Trennung zwischen DALI Eingang und 1-10 V Steuerspannung
- DALI DT8 Adresse mit Colour Type Tc (Zuordnung von Gruppen und Szenen)
- Definierter Zustand bei Busausfall
- Versorgung direkt über DALI-Leitung (keine zusätzliche Versorgung notwendig)
- Ausgang:
- Automatische Kalibrierung für Ausgangssignal
- Ausgabemodus für 2 getrennte Kanäle (CW, WW) mit jeweils 1 mA Ausgangsstrom
- Integrierte Schaltrelais:
- Zum Ein-/Ausschalten der EVG-Leistungsversorgung
- Für hohe Einschaltstromspitzen bis 160 A
- Steuerung des Relaiskontakts an den Dimmwert gebunden
Kenndaten / Spezifikationen:
| Typ | DALI RM16 2x0-10V DE | DALI RM16 2x0-10V HS |
| Artikelnummer | 89453857-DE | 89453857-HS |
| Gerätetyp | Signalwandler | |
| Über DALI Cockpit konfigurierbar | Ja | |
| Elektrische Daten | ||
| Versorgung | Aus DALI-Bus | |
| Typ. Stromaufnahme DALI | ca. 7 mA | |
| Eingänge | DALI | |
| Ausgänge (1-10V) | Kanal 1: 1-10 V analog, Stromsenke 1 mA Kanal 2: 1-10 V analog, Stromsenke 1 mA | |
| Relaiskontakt Schaltspannung | 250 Vac / 400 Vac | |
| Maximale Nennlast Relais | 1000 VA | 2000 VA |
| Maximaler Schaltstrom Relais | 8 A | 16 A |
| Maximale Einschaltstromspitzen Relais | 160 A | 160 A |
| Kontaktart Relais | 1 Ein/Aus | 1 Wechsler |
| Schaltspiele bei 16A/250Vac, resistiv | 3x10^4 | |
| Max. Schaltfrequenz Relais | 0.1 Hz (Volllast) | |
| Technische Daten | ||
| Lager- und Transporttemperatur | -20°C ... +75°C | |
| Betriebstemperatur | -20°C ... +65°C | |
| Schutzklasse | IP20 | |
| Anschlussdrähte Querschnitt | 0,5-1,5 mm² | 0,5-2,5 mm² |
| Gehäuse | Deckeneinwurf | Hutschiene |
| Gehäusefarbe | Grau | |
| Abmessungen (LxBxH) | 120 x 30 x 22 mm | 98 x 17.5 x 56mm |
Weitere Informationen zum DALI Konverter mit Schaltrelais 1-10V entnehmen Sie bitte dem Datenblatt im Download Tab.
| ·Bauform/Montage: | Deckeneinwurf, Hutschiene |
|---|---|
| ·Dimmbarkeit/Steuerung: | 0/1..10V, DALI DT8 |
| ·Farbtemperatur/Lichtfarbe: | Tuneable White |
| ·Verwendung/IP-Code: | IP20 - IP44 (indoor) |
Lunatone Industrielle Elektronik GmbH
wurde 1993 mit der Errichtung eines Entwicklungsbüros, als Spin-Off der Technischen Universität Wien, der Grundstein für eine bemerkenswerte Erfolgsgeschichte gelegt. Denn schon einige Jahre später, im Jahr 2000, konnte aufgrund der stetig wachsenden Nachfrage die Lunatone Industrielle Elektronik GmbH gegründet werden. Von Beginn an wurden kundenspezifische Lösungen in den Bereichen DALI Lichtsysteme, elektronische Informationstechnik und industrielle Elektronik angeboten. Das Angebot reicht von Bedienmodulen, Steuergeräte & Sensoren, Phasendimmer, Aktuatoren & Signalwandler, Betriebsgeräte 230VAC, 48V, 24V, DALI Busversorgungen & Erweiterungen bis hin zu Interfaces, Tools & Gateways. Seit über 10 Jahren bieten wir Weltweit über 100 Produkte des Herstellers Lunatone. Nachstehend unser Portfolio der Produkte. Tipp: Verwenden Sie die Filterfunktion zum schnellen finden des gewünschten Treibers, oder rufen Sie uns an.
Lunatone GmbH
Paukerwerkstraße 5 - 1210 Vienna - Austria
E-Mail: supportteam@lunatone.at













