Meanwell NPF-120 Netzteil

- Kauf und Beratung beim LED-Experten
- Profi-Produkte aus über 15 Jahre Erfahrung
- LED-Technik ist unsere Leidenschaft
- Kostenloser Versand ab 150€ Bestellwert (DE)
Produktinformationen "Meanwell NPF-120 Netzteil"
Meanwell NPF-120-xx"Typ"
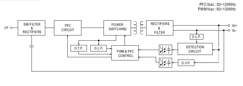
Ein Netzteil der NPF-120-Serie von Meanwell verfügt über einen 120 W Single Output und eine integrierte aktive PFC-Funktion. Ihr Eingangsspannungsbereich beträgt 90 bis 305 V AC, es verfügt über eine sehr kurze Startzeit von <500 ms.Dieses LED-Netzteil eignet sich hervorragend zur Energieeinsparung, das Produkt bietet eine höhere Effizienz, geringere Verlustleistung und die Einhaltung der neuesten internationalen Beleuchtungsvorschriften.
Wegen des robusten Designs und der hohen Schutzwerte gegen Staub und Feuchtigkeit kann es sie in vielen Indoor- und Outdoor-LED-Anwendungen eingesetzt werden.
Dieses LED-Netzteil liefert einen Konstantstrom, Konstantspannung oder eine Kombination aus Konstantspannung und-strom mit festen oder einstellbaren Werten.
So eignet sich das Meanwell NPF-120 LED-Schaltnetzteil z.B. in der Ausführung -12 ideal zum Betrieb von 12V Leuchtmitteln, wie Niedervolt LED-Strahler MR16/GU5.3 oder MR11, sowie LED-Stripes. Bis zu einer Leistung von 120W können mehrere Lampen an einem einzigen Trafo geschalten werden. Kostenersparnis!
Modellbezeichnung der NPF Serie:


NPF-120 Features (Typ abhängig):
- 5 Jahre Herstellergarantie
- Typ NPF für Verwendung gemäß Class II
- Universeller Wechselspannungseingang bis zu 305V AC
- Überlastschutz durch Strombegrenzung, auto recovery
- Eingebauter PFC-Schaltkreis
- Niedrige Leerlaufleistung
- Kunststoffgehäuse
- Eigenkühlung über Gehäuse mittels Luft-Konvektion
- Schutz gegen Kurzschluss, Überspannung und Überlastung (Temperaturschutz)
- IP67 Schutz für Außen-Installationen
- LED-Beleuchtung insbesondere Straßenbeleuchtungen
Meanwell NPF Netzteile gibt es auch als Variante NPF-120D. Dieses Netzteil unterscheidet sich durch ihre 3 in 1 dimmfunktion (externe Spannung 1 bis 10 Volt DC, PWM, Potentiometer).
Weitere Informationen zum dimmen via DALI und PWM erhalten Sie in diesem Artikel:
DALI PWM Lösung zum dimmen von LED Technik
Technische Daten zum Meanwell Netzteil NPF:
| Modell | Schaltnetzteil |
| Leistung | 120 - 124,2 W (Spannungsabhängig, siehe Datenblatt) |
| Eingangsspannung | 90 - 305 VAC / 127 - 431 VDC |
| Ausgang- und Betriebsparameter | Siehe Datenblatt |
| Frequenzbereich | 47 - 63 Hz |
| Wirkungsgrad | 90,5% |
| Einschaltstrom | Max. 60 A bei 230 VAC |
| Temperaturbereich | -40 ... +90°C |
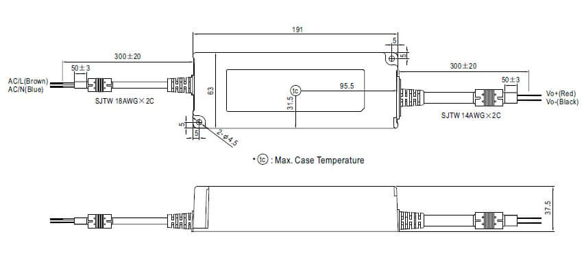
| Maße | 191mm x 63mm x 37,5mm (H x W x D) |
Auf Anfrage bieten wir Ihnen auch andere Ausführungen und Spannungen an.
| ·Dimmbarkeit/Steuerung: | PWM |
|---|---|
| ·Konstantspannung: | 12V, 24V |
| ·Konstantstrom: | 4,0A, 5,0A |
| ·Leistungsbereich: | 100 - 250 W |
| ·Meanwell Serie: | NPF |
| ·Verwendung/IP-Code: | IP55 - IP67 (Outdoor) |
Mean Well
wurde 1982 gegründet und ist einer der wenigen Hersteller weltweit, der sich auf Standard-Stromversorgungsprodukte spezialisiert hat. In den späten 1990er Jahren begann MEAN WELL mit dem Start des europäischen Geschäfts. Um den europäischen Markt weiter zu bedienen, wurde 2006 MEAN WELL Europe in Amstelveen, Niederlande, als europäisches Vertriebs- und Produktentwicklungszentrum gegründet. Als Weltweit bewährter Hersteller von leistungsstarken und zuverlässigen Schalt-Netzteilen und LED-Trafos. Mean Well Netzteile sind vielseitig bewährt, insbesondere die HLG Serie, bzw. ELG-Serie haben in der LED-Branche großen Beliebtheit erlangt.
Seit über 10 Jahren bieten wir Weltweit über 100 Produkte des Herstellers Mean Well an. Nachstehend unser Portfolio der Produkte. Tipp: Verwenden Sie die Filterfunktion zum schnellen finden des gewünschten Treibers, oder rufen Sie uns an.
MEAN WELL EUROPE N.V.
Langs de Werf 8 - 1185XT Amstelveen - Netherlands
E-Mail: info@meanwell.eu










