IEC 62386 Master LW09-01 Modul I2C

- Kauf und Beratung beim LED-Experten
- Profi-Produkte aus über 15 Jahre Erfahrung
- LED-Technik ist unsere Leidenschaft
- Kostenloser Versand ab 150€ Bestellwert (DE)
Produktinformationen "IEC 62386 Master LW09-01 Modul I2C"
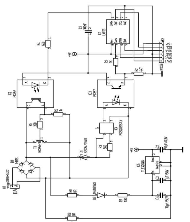
LW09-01 Modul IEC62386 Master Brücke
Das LW09-01MOD ist ein einsatzbereites Modul. Sie ist in erster Linie für den Einsatz als I2C nach IEC62386-Brücke vorgesehen und benötigt eine 5-V-Stromversorgung. Es können zwei Schalter angeschlossen werden.
Merkmale
- IEC62386-Master
- I2C zu IEC62386 Brücke
- macht aus einem Standard-Lichtschalter einen IEC62386-Master
- gemäß DIN EN 62386-103
- vereinfachter Zugang zu IEC62386
- minimale externe Beschaltung
- 5V Versorgung
Funktionsübersicht
Die LED-Warrior09 ist ein Master vom Typ II IEC62386. Er kann mit anderen Mastern am selben Bus koexistieren, ist aber nicht adressierbar. LED-Warrior09 generiert die notwendigen IEC62386-Befehle zum Einstellen der Lichtpegel aus einfachen I2C-Befehlen oder zwei Schalteingängen. Standard-Lichtschalter können mit dem LED-Warrior09 zu IEC62386-Mastern gemacht werden. Die Funktion der beiden Schalteingänge ist über I2C programmierbar. Das Ein-/Ausschalten und Dimmen kann über einen oder zwei Schalter für einzelne IEC62386-Vorschaltgeräte, Gruppen oder Broadcast gesteuert werden.
Betriebsspezifikationen
| Versorgungsspannung (+5V relativ zu GND) | 4,5V bis 5,25V |
| Betriebstemperatur | -20°C bis +65°C |
| IEC62386 Eingangsspannung (differentiell) | max. 24V |
| Versorgungsstrom | max. 25 mA |
| ·Dimmbarkeit/Steuerung: | DALI |
|---|---|
| ·Konstantspannung: | 24V |
| ·Verwendung/IP-Code: | IP20 - IP44 (indoor) |
Code Mercenaries Hard- und Software GmbH
ist seit 1998 Zulieferer für Hersteller industrieller Eingabegeräte und andere Gerätehersteller. Seit 2008 entwickelt und fertigt Code Mercenaries Produkte für LED-Lighting. Durch den Einsatz moderner LED Dimm-Techniken wie IEC 62386, DMX, I2C oder (Spread Spectrum-) PWM können LED Anwendungen programmiert und gesteuert werden.
Seit über 10 Jahren bieten wir Weltweit Produkte des Herstellers Code Mercenaries an. Nachstehend unser Portfolio der Produkte. Tipp: Verwenden Sie die Filterfunktion zum schnellen finden des gewünschten Artikels, oder rufen Sie uns an.
Code Mercenaries Hard- und Software GmbH.
Karl-Marx-Str. 147A - 12529 Schönefeld - Germany
E-Mail: sales@codemercs.com















