Prgrammer for DALI 2 devices

€134.90*
net-price: €113.36delivery time 3-5 Working days*
- Purchase and advice from the LED expert
- Professional products from over 15 years of experience
- LED technology is our passion
- Free shipping for orders over €150 (DE)
Product information "Prgrammer for DALI 2 devices"
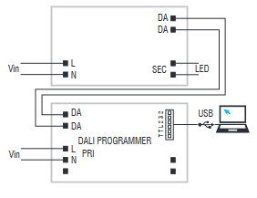
DALI WEB PROGRAMMER
With the USB SALI interface and the ‘DALI-NFC Multi Tag’ programme, the programmable LED supply units from TCI can be configured. The following properties can be set/programmed depending on the LED supplier:
Programmable functions:
- Info Device
- AOC Adjustable output current (Current) *, in the range (minimum to maximum) of the respective driver as specified in the data sheet. The output current of these LED power supply units can be precisely programmed in 1mA steps.
- Push dimming
- Corridor function
- CLO* ( Constant Lumen Output)
- 0/1-10V
- DC level (emergency)*
- Midnight
- NTC
!!! When selecting, the programmable properties of the respective driver must be observed. !!!
AOC = Output current* = Individual control of the current output in mA
CLO* = The decrease in luminous flux of an LED module can be compensated over the entire service life by a pre-programmed current curve. The decreasing luminous flux and the lifetime value are normally provided directly by the LED chip manufacturer using TM21 and the associated LM report (e.g. LM80B20).
This not only ensures stable lighting, but also saves energy and increases the service life of the LEDs.
Hours time step x/20: Setting the hours (minimum setting 5khrs).
Value % time step x/20: Setting the increasing brightness.
DC level* = Many LED drivers are equipped with functions for emergency lighting. The software can be used to set the percentage light or power value in emergency power mode ( DC mode).
NFC* = The NTC interface is a thermal fuse for the LED modules to reduce the current when critical temperatures are reached. The temperature reduction can be configured via an external NTC resistor connected to the Driver.
Features:
- Class II protection against electric shock for direct or indirect contact
- Interface which can convert a signal from PC USB into a DALI signal by means of NFC DALI multitag Software.
- The converter can be powered directly from the mains (100 ÷ 240 VAC).
- Input and output terminal blocks on opposite sides (wire cross-section up to 2,5 mm2 / AWG13).
- Clamping screws on primary and secondary circuits for cables with diameter: min. 3 mm - max. 8 mm.
- Protections:
- against input over voltages from mains;
- against short circuit and open circuit;
- thermal and overload.
Technical data
| DC Operation range | AC Operation range | Rated Voltage | Frequency | Type |
| 5 V | 90 ÷ 264 V | 100 ÷ 240 V | 50/60 Hz | WEB-DALI |
Software:
http://www.tci.it/TCI_tools/TCI_NFC_READER.zip
History (precursor):
126500 programmed via LAN and Wifi
| ·Constant Current: | Programmable |
|---|
YouTube
TCI TELECOMUNICAZIONI ITALIA S.R.L. (TCI Saronno)
is one of the leading manufacturers based in Italy and known for a wide range of LED converters, electronic ballasts and LED drivers. TCI attaches great importance to quality and reliability. Experience and trustworthiness are the keys to TCI's success.
For more than 10 years we have been offering more than 100 products from the manufacturer in Saronno/Italy (TCI IT) worldwide.
Below is our portfolio of products. Tip: Use the filter function to quickly find the driver you need, or give us a call.
TCI TELECOMUNICAZIONI ITALIA S.R.L.
Via Parma, 14 – Saronno 21047 (VA) – Italy
E-Mail: m.librandi@tci.it

Login
2 July 2023 07:16
n/a
24 February 2025 07:51
*
*


















