Meanwell DAP-04 (S01) DALI PWM signal converter

- Purchase and advice from the LED expert
- Professional products from over 15 years of experience
- LED technology is our passion
- Free shipping for orders over €150 (DE)
Product information "Meanwell DAP-04 (S01) DALI PWM signal converter"
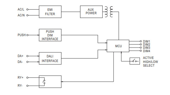
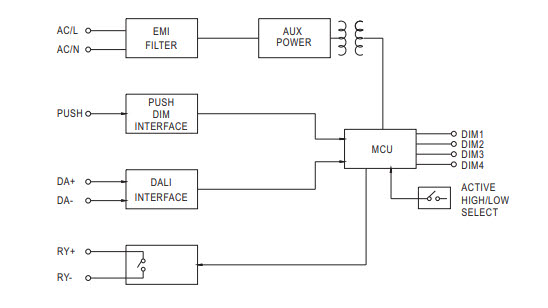
4 channel DALI PWM signal converter
Operate PWM signals via DALI commands control.
The DAP 04 more specifically DAP-04 S01 DALI PWM interface converts DALI into PWM signals.
The DALI PWM Converter is available as DAP 04 and DAP-04 S01(Successor of the best-selling DAP-04EU) version.
There are 4 PWM outputs available, which are addressed via DALI. Each one can be controlled separately.
In this way, all LED transformers and LED drivers with PWM input for dimming can be controlled
like the Mean Well HLG series. 
It is possible to dim in a very flexible range of 1% to 100%, optionally linear or logarithmic. It`s your choice to create it comfortable.
Via DALI you can dim a variety of LED transformers with PWM input.
Features:
- Fully isolated plastic case IP20
- Built-in relay to control on / off for LED power supply
- Meets DALI standards (IEC62386-q0q, q02, 207)
- DALI-dimmable Push Dim function
- 4 DALI addressable output channels
- Universal voltage input: AC 90V - 305V, DC 127V - 431V
- 3 years warranty
Differences between version DAP 04 and DAP-04 S01 DALI PWM interface:
| DAP-04 | DAP-04 S01 | 
| Selection output signal between high and low active PWM | Choose between 1 till 4 addressed DALI outputs. If only one output is assigned, than the DALI system will be used more efficiently. | 
The mode can be selected by jumper.
Technical data for DAP-04 DALI PWM signal converter:
| Input | |
| Input voltage range | 90 - 305 VAC / 127 - 431 VDC | 
| Frequency range | 47 - 63 Hz | 
| AC power | 0,1A | 
| Inrush current | 15A @ 230V AC | 
| Power consumption | 0,5W | 
| Input signal | DALI or Push dim | 
| Output | |
| Output signal | 4 x PWM, 1KHz | 
| Output logic | see datasheet | 
| Dimming | 1% - 100% | 
| General | |
| Dimension | 165x46x23mm(LxWxH) | 
| Operating conditions | -30°C - 60°C, 20-90% humidity | 
| Storage conditions | -40°C - 80°C, 10-95% humidity | 
For further technical data please refert to tab DOWNLOAD
| ·Dimmable/Control: | DALI, PWM, Push-Button | 
|---|
Mean Well
Founded in 1982, MEAN WELL is one of the world's few manufacturers dedicated to standard power supply products. In the late 1990s, MEAN WELL started taking off the European business. To further serve the European market, MEAN WELL Europe was established in 2006 in Amstelveen, the Netherlands, as Europe's sales and product engineering support centre. As a globally proven manufacturer of powerful and reliable switching power supplies and LED transformers. Mean Well power supply units are tried and tested in many different ways, and the HLG series and ELG series in particular have become very popular in the LED industry.
For more than 10 years we have been offering more than 100 products from the manufacturer Mean Well worldwide. Below is our portfolio of products. Tip: Use the filter function to quickly find the driver you need, or give us a call.
MEAN WELL EUROPE N.V.
 Langs de Werf 8 - 1185XT Amstelveen - Netherlands
E-Mail: info@meanwell.eu















